ZPOMALOVAČ BETONU (ZPOMALOVACÍ KOLENO)
Zpomalovací koleno typu S – pro efektivní a šetrnou dopravu betonu
Polyuretanové zpomalovací koleno typu S výrazně redukuje rychlost toku betonu, čímž minimalizuje jeho rozstřik a šetří materiál. Díky konstrukci z vysoce kvalitního polyuretanu nabízí vynikající odolnost proti oděru a mechanickému poškození.
-
-
- Vysoká odolnost: Polyuretan zajišťuje dlouhou životnost i v náročných podmínkách.
- Snadná manipulace: O 30 % nižší hmotnost oproti ocelovým variantám a dvě pevná madla usnadňují montáž.
- Dokonalá těsnost: Kovová příruba zaručuje bezpečné spojení a rychlou instalaci.
- Efektivita: Snižuje opotřebení navazujících částí a šetří náklady na beton.
-
Upozornění: Pro zachování stoprocentní funkčnosti a hladkého průtoku je nutné koleno po každém použití důkladně vyčistit.
PRINCIP ZPOMALOVACÍHO KOLENA:
NABÍZÍME:
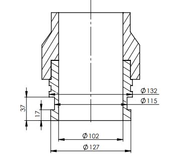
Zpomalovač DN 100
- polyuretanová část – vnitřní průměr: 102 mm
- polyuretanová část – vnější průměr: 125 mm
- kovová část – vnitřní průměr: 102 mm
- kovová část – vnější průměr: 127 mm
- výška: 490 mm
- barva: žlutá
- kód – 2607
polyuretanová část
kovová část
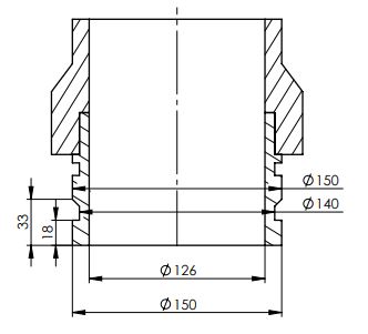
Zpomalovač DN 125
- polyuretanová část – vnitřní průměr: 126 mm
- polyuretanová část – vnější průměr: 150 mm (část bez zoubků)
- kovová část – vnitřní průměr: 126 mm
- kovová část – vnější průměr: 150 mm
- výška: 515 mm
- barva: žlutá
- kód – 2605
polyuretanová část
kovová část
NOVINKA:
Zpomalovač DN 125 - dvojitý ohyb
- polyuretanová část – vnitřní průměr: 126 mm
- polyuretanová část – vnější průměr: 150 mm (část bez zoubků)
- kovová část – vnitřní průměr: 126 mm
- kovová část – vnější průměr: 150 mm
- výška: 525 mm
- barva: žlutá
- kód – 3666
Kuželová redukce ke zpomalovači DN 125
- průměr d3 – 126 mm
- průměr d2 – 80 mm
- průměr d1 – 60 mm
- výška – 240 mm
- kód – 2698
VIDEO UKÁZKA: